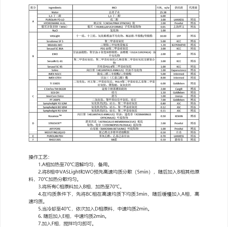
新(xīn)聞中心

你說(shuō)粉底,我說(shuō)耶 !

發布日期:2020/05/01

image.png

image.png

image.png

image.png

image.png

image.png

image.png

image.png

image.png

image.png

image.png

image.png

image.png

image.png

image.png

image.png

image.png

image.png

image.png

image.png